Cylinder Dimensions and Thread Sizes
| Bore Size | Mounting Nut | Clevis | Rear Pivot Hole | Air Port Size | |
| 5/16 | 3/8-24 | #5-40 | .12 | #10-32 | |
| 7/16 | 7/16-20 | #10-32 | .15 | #10-32 | |
| 9/16 | 7/16-20 | #10-32 | .15 | #10-32 | |
| 3/4 | 5/8-18 | 1/4-28 | .25 | 1/8 NPT | |
| 7/8 | 5/8-18 | 1/4-28 | .25 | 1/8 NPT | |
| 1-1/6 | 5/8-18 | 5/16-24 | .25 | 1/8 NPT | |
| 1-1/4 | 3/4-16 | 7/16-20 | .25 | 1/8 NPT | |
| 1-1/2 | 3/4-16 | 7/16-20 | .37 | 1/8 NPT | |
| 1-3/4 | 1-14 | 1/2-20 | .37 | 1/4 NPT | |
| 2 | 1 1/4-12 | 1/2-20 | .37 | 1/4 NPT | |
| 3 | 1 1/2-12 | 5/8-18 | .5 | 3/8 NPT |
Maximum psi for all cylinders is 250psi.
DETAILED TECHNICAL DRAWINGS / SPECIFICATIONS
The following tables contain links to cylinder dimensional drawings. This diagram illustrates how to determine overall cylinder length from the dimensional drawings.

|
Double Acting / Universal Mount |
|||
|
Part Number |
Bore Size |
Specifications |
Order |
|
0758-0312-STROKE |
5/16” (.312) |
|
|
|
0758-0437-STROKE |
7/16” (.437) |
|
|
|
0758-0562-STROKE |
9/16” (.562) |
|
|
|
0758-0750-STROKE |
3/4" (.750) |
||
|
0758-0875-STROKE |
7/8” (.875) |
|
|
|
0758-1062-STROKE |
1-1/16” (1.062) |
||
|
0758-1250-STROKE |
1-1/4” (1.250) |
|
|
|
0758-1500-STROKE |
1-1/2” (1.500) |
||
|
0758-1750-STROKE |
1-3/4” (1.750) |
|
|
|
0758-2000-STROKE |
2” (2.000) |
||
|
0758-3000-STROKE |
3” (3.000) |
|
|
|
Double Acting / Nose Mount |
|||
|
Part Number |
Bore Size |
Specifications |
Order |
|
0983-0312-STROKE |
5/16” (.312) |
||
|
0983-0437-STROKE |
7/16” (.437) |
||
|
0983-0562-STROKE |
9/16” (.562) |
||
|
0983-0750-STROKE |
3/4" (.750) |
||
|
0983-0875-STROKE |
7/8” (.875) |
||
|
0983-1062-STROKE |
1-1/16” (1.062) |
||
|
0983-1250-STROKE |
1-1/4” (1.250) |
||
|
0983-1500-STROKE |
1-1/2” (1.500) |
||
|
0983-1750-STROKE |
1-3/4” (1.750) |
||
|
0983-2000-STROKE |
2” (2.000) |
||
|
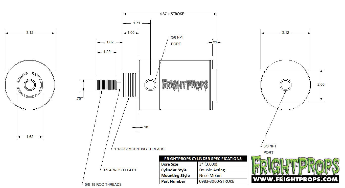
0983 -3000-STROKE |
3” (3.000) |
||
|
Double-End Rod / Nose Mount |
|||
|
Part Number |
Bore Size |
Specifications |
Order |
|
0972-0437-STROKE |
7/16” (.437) |
||
|
0972-0562-STROKE |
9/16” (.562) |
||
|
0972-0750-STROKE |
3/4" (.750) |
||
|
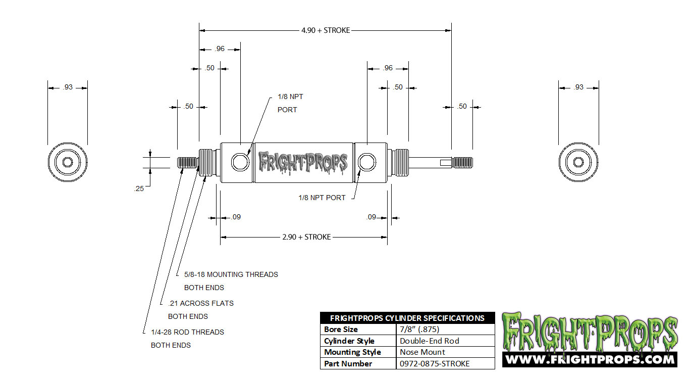
0972-0875-STROKE |
7/8” (.875) |
||
|
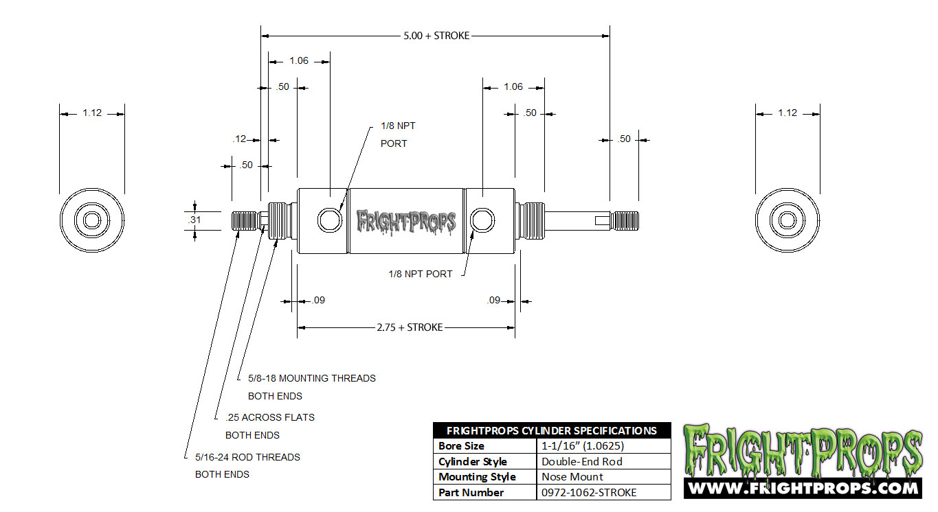
0972-1062-STROKE |
1-1/16” (1.062) |
||
|
0972-1250-STROKE |
1-1/4” (1.250) |
||
|
0972-1500-STROKE |
1-1/2” (1.500) |
||
|
0972-1750-STROKE |
1-3/4” (1.750) |
||
|
0972-2000-STROKE |
2” (2.000) |
||
|
0972-3000-STROKE |
3” (3.000) |
||