Linear Actuator Dimensions
FrightProps High-Speed Linear Actuator Dimensions

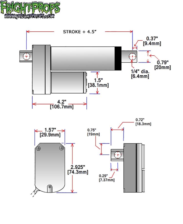
FRIGHTPROPS STANDARD-SPEED LINEAR ACTUATOR DIMENSIONS

FRIGHTPROPS LINEAR ACTUATOR MOUNTING BRACKET DIMENSIONS
These brackets fit both the top and bottom of the standard speed linear actuators and the bottom of the high speed.
(1002-MB1 and 1002-MB8)

These brackets are for the shaft (top) of the high speed linear actuators only (1002-MB1A)
